Toyota Map Updates Usa

Toyota Map Updates Usa.

Toyota Navigation Micro SD Card MAP Update | 2020 | USA Canada | 86271 ...
Toyota Navigation Micro SD Card MAP Update | 2020 | USA Canada | 86271 ... (Pauline Daniel)

Navigation Lexus Download Update

2015 VW Navigation System Maps RNS510 North America V9M DVD | Car ...

New Toyota Navigation Micro SD Card,Latest 2019 Map Update, GPS, 86271 ...

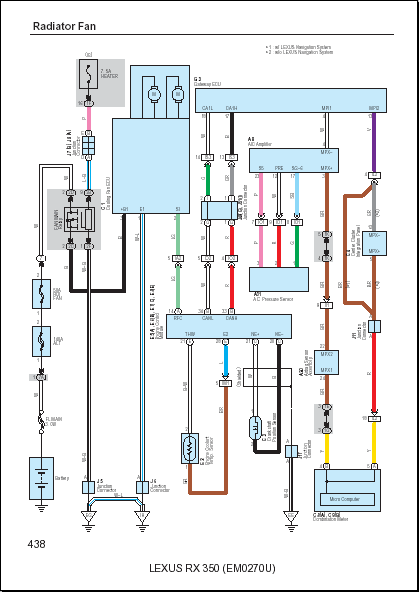
Toyota Avalon, 2000-2004, full repair information, color wiring ...

Toyota Store | Komehyo Co.,Ltd.

Price Card Navigation Toyota Sd

Toyota Entune 2 MicroSD Map Update (2014-present) / Map Updates ...

Houston Toll Road Map

Toyota Navigation Micro SD Card MAP Update | 2020 | USA Canada | 86271 ...

Mercedes Sd Card Garmin Map Pilot Download - intensivezebra

Toyota AE86 Trueno v 1.0 - FS 19

Yaris Hack Ia Card Sd Navigation

Judul: Toyota Map Updates Usa
Rating: 100% based on 788 ratings. 5 user reviews.
Dennis Hayes

Thank you for reading this blog. If you have any query or suggestion please free leave a comment below.

0 Response to "Toyota Map Updates Usa"

Post a Comment